蘭州配電柜配電箱,家用配電箱安裝方法和配電箱接線圖
文章作者:配電柜廠發表時間:[2017-7-26] 瀏覽:2972
配電柜配電箱,配電柜:配電箱是對家中電路的總控開關,配電箱的安裝關系到對于家中電路的日常控制。這里需要我們在裝修過程中格外注意。家用配電箱安裝方法:
1、明裝配電箱,配電箱安裝在墻上時,應采用開腳螺栓(脹管螺栓)固定,螺栓長度一般 為埋入深度(75~150mm)、箱底板厚度、螺帽和墊圈的厚度之和,再加上5mm 左右的“出頭余量”。對于較小的配電箱,也可在安裝處預埋好木磚(按配電箱 或配電板四角安裝孔的位置埋設),然后用木螺釘在木磚處固定配電箱或配電板。
2、暗裝配電箱,配電箱嵌入墻內安裝,在砌墻時預留孔洞應比配電箱的長和寬各大20mm 左右,預留的深度為配電箱厚度加上洞內壁抹灰的厚度。在圬埋配電箱時,箱體 與墻之間填以混凝土即可把箱體固定住
1、明裝配電箱,配電箱安裝在墻上時,應采用開腳螺栓(脹管螺栓)固定,螺栓長度一般 為埋入深度(75~150mm)、箱底板厚度、螺帽和墊圈的厚度之和,再加上5mm 左右的“出頭余量”。對于較小的配電箱,也可在安裝處預埋好木磚(按配電箱 或配電板四角安裝孔的位置埋設),然后用木螺釘在木磚處固定配電箱或配電板。
2、暗裝配電箱,配電箱嵌入墻內安裝,在砌墻時預留孔洞應比配電箱的長和寬各大20mm 左右,預留的深度為配電箱厚度加上洞內壁抹灰的厚度。在圬埋配電箱時,箱體 與墻之間填以混凝土即可把箱體固定住
3、配電箱應安裝牢固,橫平豎直,垂直偏差不應大于3mm;暗裝時,配電 箱四周應無空隙,其面板四周邊緣應緊貼墻面,箱體與建筑物、構筑物接觸部分 應涂防腐漆。
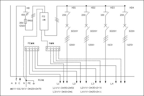
配電箱接線圖:

家庭配電箱接線圖在進行安裝的時候也是必不可少的,【甘肅配電箱】特地為大家準備詳細的接線圖。
甘肅常通電氣公司供應甘肅配電柜,配電柜,甘肅配電箱,配電箱,配電箱尺寸,配電箱價格,配電箱接線圖,配電箱價格多少,配電箱規格型號,專業配電箱銷售及技術服務,現場安裝施工【咨詢電話:15693157310】。

